Магазин запчастей для бытовой техники - Arlos
Москва
close
Выберите ваш регион
АбаканАлександровАльметьевскАнгарскАрзамасАрмавирАртемАрхангельскАстраханьАчинскБалаковоБалашихаБеларусьБелгородБердскБерезникиБийскБлаговещенскБратскБрянскВеликий НовгородВидноеВладивостокВладикавказВладимирВолгоградВолгодонскВолжскийВологдаВолховВоркутаВоронежВоскресенскВыборгГатчинаГеленджикГрозныйДедовскДербентДзержинскДзержинскийДимитровградДмитровДолгопрудныйДомодедовоДонецкЕвпаторияЕгорьевскЕкатеринбургЕлецЕссентукиЖелезногорскЖелезнодорожныйЖуковскийЗеленоградЗлатоустИвановоИвантеевкаИжевскИркутскИстраЙошкар-ОлаКазаньКалининградКалугаКаменск-УральскийКамышинКаспийскКемеровоКерчьКировКисловодскКлинКовровКоломнаКомсомольск-на-АмуреКопейскКоролёвКостромаКотельникиКрасногорскКраснодарКраснознаменскКрасноярскКурганКурскКызылЛенинск-КузнецкийЛипецкЛобняЛыткариноЛюберцыМагнитогорскМайкопМалаховкаМахачкалаМиассМоскваМурманскМуромМытищиНабережные ЧелныНазраньНальчикНаро-ФоминскНахабиноНаходкаНевинномысскНефтекамскНефтеюганскНижневартовскНижнекамскНижний НовгородНижний ТагилНовокузнецкНовокуйбышевскНовомосковскНовороссийскНовосибирскНовоуральскНовочебоксарскНовочеркасскНовошахтинскНовый УренгойНогинскНорильскНоябрьскОбнинскОдинцовоОктябрьскийОмскОрелОренбургОрехово-ЗуевоОрскПавловский ПосадПензаПервоуральскПермьПетрозаводскПетропавловск-КамчатскийПодольскПрокопьевскПсковПушкиноПятигорскРаменскоеРеутовРостов-на-ДонуРубцовскРыбинскРязаньСакиСалаватСамараСанкт-ПетербургСаранскСаратовСевастопольСеверодвинскСеверскСергиев ПосадСерпуховСимферопольСмоленскСосновый БорСочиСтавропольСтарый ОсколСтерлитамакСтупиноСургутСызраньСыктывкарТаганрогТамбовТверьТихвинТольяттиТомилиноТомскТроицкТулаТюменьУлан-УдэУльяновскУссурийскУсть-ИлимскУфаУхтаФеодосияФрязиноХабаровскХанты-МансийскХасавюртХимкиЧебоксарыЧелябинскЧереповецЧеркесскЧеховЧитаШахтыЩелковоЭлектростальЭлистаЭнгельсЮжно-СахалинскЯкутскЯлтаЯрославль
  • - бесплатно по РФ
    Автоперезвон. Работает по принципу: Вы позвонили на номер, мы сбрасываем звонок и перезваниваем через 3 секунды.
  • - по Москве
  • 8 (925) 663-83-63

Call-центр

пн-вс: 10:00-19:00

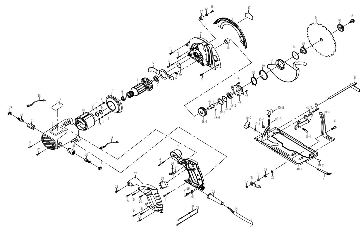
ЗАПЧАСТИ ДЛЯ ПИЛЫ ЦИРКУЛЯРНОЙ (ДИСКОВОЙ) ЭЛЕКТРИЧЕСКОЙ ELITECH ПД 1363

NАртикулНазваниеСрок отгрузкиЦенаКупить
1 1806.000100 Кожух защитный верхний
2 1806.000200 Корпус редуктора
3 1806.000300 Винт
4 1806.000400 Винт
5 1806.000500 Рычаг фиксатора шпинделя
6 1806.000600 Пружина
7 5001.001500 Подшипник шариковый 6001-RS 240 р.
7 1804.035700 Подшипник шариковый 6001-RS
8 1806.000700 Ротор Lобщ. 174 мм, обмотка D.44х45 мм, кол. 28, вал 11 мм
9 5001.002800 Подшипник шариковый 608-Z 252 р.
9 5001.002801 Подшипник 608Z.ZZ, 8Х22Х7 252 р.
9 1803.011100 Подшипник шариковый 608-Z
10 1806.000800 Дефлектор
11 1806.000900 Винт
12 1806.001000 Шайба пружинная
13 1806.001100 Шайба
14 1806.001200 Шайба
15 1806.001300 Кольцо уплотнительное (резиновое)
16 1806.001400 Статор 2740117000 ПД 1363 1.043 р.
18 1806.001500 Провод в сборе
19 1806.001600 крышка 16 р.
20 1806.001700 Щетка угольная (комплект 2 шт)
21 1806.001800 Щеткодержатель
22 1806.001900 Винт
23 1806.002000 Рукоятка (левая)
24 1803.004100 Винт самонарезающий ST4,2х19 мм
25 1806.002100 Рукоятка (правая)
26 1806.002200 Пружина
27 1806.002300 Кнопка фиксации выключателя
28 1806.002400 Выключатель
29 1804.038100 Винт
30 1803.004800 Зажим провода
31 1806.002500 Провод в сборе
32 1806.002600 Провод в сборе
33 1803.005400 Изолятор кабеля сетевого
34 1803.005600 Кабель сетевой в сборе с вилкой H05RN-F 2х0,75 мм2, L.4100 мм 622 р.
35 1806.002700 Кольцо стопорное
36 1806.002800 Рычаг фиксатора глубины погружения диска
37 1806.002900 Шайба фасонная
38 1806.003000 Гайка
39 1806.003100 Шайба
40 1806.003200 Основание в сборе
40-1 1806.003300 Основание
40-2 1806.003400 Заклепка
40-3 1806.003500 Суппорт основания передний
40-4 1806.003600 Суппорт направляющий
40-5 1806.003700 Винт барашковый
40-6 1806.003800 Пружина
40-7 1806.003900 Гайка барашковая
40-8 1806.004000 Шайба
40-9 1806.004100 Болт с квадратным подголовником
41 1806.004200 Ключ
42 1806.004300 Винт
43 1806.004400 Линейка параллельная
45 1806.004500 Подшипник скольжения
46 1806.004600 Штифт
48 1806.004700 Передача шестеренчатая в сборе
48-1 1806.004800 Крышка редуктора
48-2 5001.002900 Подшипник шариковый 6002-RS 15х32х9 мм 152 р.
48-2 1803.000800 Подшипник шариковый 6002-RS
48-3 1806.004900 Шайба
48-4 1803.000500 Кольцо стопорное
48-5 1806.005000 Шпиндель
48-6 1806.005100 шпонка 5 р.
48-7 1806.005200 Шестерня
49 1806.005300 Винт
50 1806.005400 Пружина торсионная
51 1806.005500 Кожух защитный подвижный
52 1806.005600 Кольцо стопорное
53 1806.005700 Втулка
55 1806.005900 Шайба
56 1806.006000 винт крепления диска 45 р.
57 1806.006100 Ограничитель кожуха защитного подвижного
58 1806.006200 Шайба
59 1804.038500 Кольцо уплотнительное
60 1806.006300 Втулка
61 1806.006400 Корпус эл. двигателя
Найдено товаров: 77
1
▲ Наверх
0
8 (925) 663-83-63

Call-центр

пн-вс: 10:00-19:00

НАЙТИ ПО МОДЕЛИ
Введите номер заказа
Введите номер своего заказа, что бы узнать его текущий статус.
Что бы получить доступ к расширенным функциям, пройдите не сложную регистрацию. Зарегистрироваться