Магазин запчастей для бытовой техники - Arlos
Москва
close
Выберите ваш регион
АбаканАлександровАльметьевскАнгарскАрзамасАрмавирАртемАрхангельскАстраханьАчинскБалаковоБалашихаБеларусьБелгородБердскБерезникиБийскБлаговещенскБратскБрянскВеликий НовгородВидноеВладивостокВладикавказВладимирВолгоградВолгодонскВолжскийВологдаВолховВоркутаВоронежВоскресенскВыборгГатчинаГеленджикГрозныйДедовскДербентДзержинскДзержинскийДимитровградДмитровДолгопрудныйДомодедовоДонецкЕвпаторияЕгорьевскЕкатеринбургЕлецЕссентукиЖелезногорскЖелезнодорожныйЖуковскийЗеленоградЗлатоустИвановоИвантеевкаИжевскИркутскИстраЙошкар-ОлаКазаньКалининградКалугаКаменск-УральскийКамышинКаспийскКемеровоКерчьКировКисловодскКлинКовровКоломнаКомсомольск-на-АмуреКопейскКоролёвКостромаКотельникиКрасногорскКраснодарКраснознаменскКрасноярскКурганКурскКызылЛенинск-КузнецкийЛипецкЛобняЛыткариноЛюберцыМагнитогорскМайкопМалаховкаМахачкалаМиассМоскваМурманскМуромМытищиНабережные ЧелныНазраньНальчикНаро-ФоминскНахабиноНаходкаНевинномысскНефтекамскНефтеюганскНижневартовскНижнекамскНижний НовгородНижний ТагилНовокузнецкНовокуйбышевскНовомосковскНовороссийскНовосибирскНовоуральскНовочебоксарскНовочеркасскНовошахтинскНовый УренгойНогинскНорильскНоябрьскОбнинскОдинцовоОктябрьскийОмскОрелОренбургОрехово-ЗуевоОрскПавловский ПосадПензаПервоуральскПермьПетрозаводскПетропавловск-КамчатскийПодольскПрокопьевскПсковПушкиноПятигорскРаменскоеРеутовРостов-на-ДонуРубцовскРыбинскРязаньСакиСалаватСамараСанкт-ПетербургСаранскСаратовСевастопольСеверодвинскСеверскСергиев ПосадСерпуховСимферопольСмоленскСосновый БорСочиСтавропольСтарый ОсколСтерлитамакСтупиноСургутСызраньСыктывкарТаганрогТамбовТверьТихвинТольяттиТомилиноТомскТроицкТулаТюменьУлан-УдэУльяновскУссурийскУсть-ИлимскУфаУхтаФеодосияФрязиноХабаровскХанты-МансийскХасавюртХимкиЧебоксарыЧелябинскЧереповецЧеркесскЧеховЧитаШахтыЩелковоЭлектростальЭлистаЭнгельсЮжно-СахалинскЯкутскЯлтаЯрославль
  • - бесплатно по РФ
    Автоперезвон. Работает по принципу: Вы позвонили на номер, мы сбрасываем звонок и перезваниваем через 3 секунды.
  • - по Москве
  • 8 (925) 663-83-63

Call-центр

пн-вс: 10:00-19:00

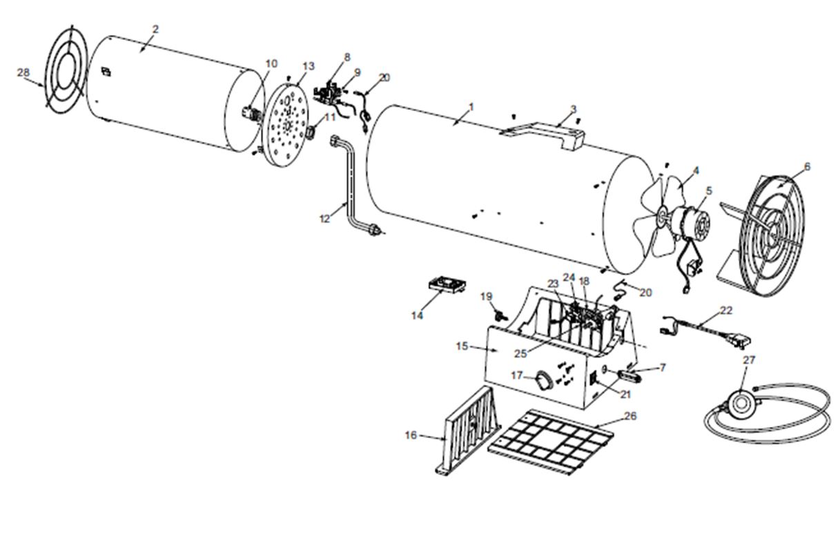
ЗАПЧАСТИ ДЛЯ НАГРЕВАТЕЛЯ ГАЗОВОГО ELITECH ТП 15Г

NАртикулНазваниеСрок отгрузкиЦенаКупить
1 1402.003300 Корпус внешний
2 1402.000200 Корпус внутренний
3 1402.003400 Рукоятка, ТП 30Г 283 р.
4 1402.000400 Крыльчатка
5 1402.000500 Электродвигатель в сборе 22-061-0008 ТП12Г 4.573 р.
6 1402.000600 Решетка задняя
7 1402.000700 Коннектор входной
8 1402.000800 Электроподжиг в сборе 22-504-0002 ТП 12Г , ТП 15Г 567 р.
9 1402.000900 Термостат
10 1402.003500 Форсунка
11 1402.001100 Гайка
12 1402.001200 Трубка
13 1402.001300 Экран корпуса внутреннего
14 1402.001400 Плата в сборе , ТП 12Г , ТП 15Г, ТП 30Г, ТП 44Г 1.365 р.
15 1402.001500 Основание, ТП 12Г , ТП15Г 1.469 р.
16 1402.001600 Регулятор высоты, ТП 12Г , ТП15Г 261 р.
17 1402.001700 Ручка регулировочного клапана, ТП 12Г 105 р.
18 1402.003600 Клапан в сборе , ТП 15Г 5.077 р.
19 1402.001900 Болт регулировочный
20 1402.002000 Кабель термостата 22-601-001: ТП12Г,ТП15Г,ТП30Г,ТП44Г 121 р.
21 1402.002100 Выключатель, ТП 12Г 233 р.
22 1402.002200 Электрокабель в сборе, ТП 12Г 1.668 р.
23 1402.002300 Соленоид в сборе , ТП 12Г , ТП 15Г, ТП 30Г, ТП 44Г 2.777 р.
24 1402.002400 Кронштейн соленоида, ТП 12Г 1.256 р.
25 1402.002500 Направляющая соленоида, ТП 12Г 236 р.
26 1402.002600 Крышка нижняя
27 1402.002700 Редуктор газовый 8.129 р.
28 1402.002800 Решетка защитная передняя , ТП 12Г , ТП 15Г 612 р.
29 ALDP112 Реле ALDP112 12VDC/5A.250VAC
Найдено товаров: 29
1
▲ Наверх
0
8 (925) 663-83-63

Call-центр

пн-вс: 10:00-19:00

НАЙТИ ПО МОДЕЛИ
Введите номер заказа
Введите номер своего заказа, что бы узнать его текущий статус.
Что бы получить доступ к расширенным функциям, пройдите не сложную регистрацию. Зарегистрироваться