Магазин запчастей для бытовой техники - Arlos
Москва
close
Выберите ваш регион
АбаканАлександровАльметьевскАнгарскАрзамасАрмавирАртемАрхангельскАстраханьАчинскБалаковоБалашихаБеларусьБелгородБердскБерезникиБийскБлаговещенскБратскБрянскВеликий НовгородВидноеВладивостокВладикавказВладимирВолгоградВолгодонскВолжскийВологдаВолховВоркутаВоронежВоскресенскВыборгГатчинаГеленджикГрозныйДедовскДербентДзержинскДзержинскийДимитровградДмитровДолгопрудныйДомодедовоДонецкЕвпаторияЕгорьевскЕкатеринбургЕлецЕссентукиЖелезногорскЖелезнодорожныйЖуковскийЗеленоградЗлатоустИвановоИвантеевкаИжевскИркутскИстраЙошкар-ОлаКазаньКалининградКалугаКаменск-УральскийКамышинКаспийскКемеровоКерчьКировКисловодскКлинКовровКоломнаКомсомольск-на-АмуреКопейскКоролёвКостромаКотельникиКрасногорскКраснодарКраснознаменскКрасноярскКурганКурскКызылЛенинск-КузнецкийЛипецкЛобняЛыткариноЛюберцыМагнитогорскМайкопМалаховкаМахачкалаМиассМоскваМурманскМуромМытищиНабережные ЧелныНазраньНальчикНаро-ФоминскНахабиноНаходкаНевинномысскНефтекамскНефтеюганскНижневартовскНижнекамскНижний НовгородНижний ТагилНовокузнецкНовокуйбышевскНовомосковскНовороссийскНовосибирскНовоуральскНовочебоксарскНовочеркасскНовошахтинскНовый УренгойНогинскНорильскНоябрьскОбнинскОдинцовоОктябрьскийОмскОрелОренбургОрехово-ЗуевоОрскПавловский ПосадПензаПервоуральскПермьПетрозаводскПетропавловск-КамчатскийПодольскПрокопьевскПсковПушкиноПятигорскРаменскоеРеутовРостов-на-ДонуРубцовскРыбинскРязаньСакиСалаватСамараСанкт-ПетербургСаранскСаратовСевастопольСеверодвинскСеверскСергиев ПосадСерпуховСимферопольСмоленскСосновый БорСочиСтавропольСтарый ОсколСтерлитамакСтупиноСургутСызраньСыктывкарТаганрогТамбовТверьТихвинТольяттиТомилиноТомскТроицкТулаТюменьУлан-УдэУльяновскУссурийскУсть-ИлимскУфаУхтаФеодосияФрязиноХабаровскХанты-МансийскХасавюртХимкиЧебоксарыЧелябинскЧереповецЧеркесскЧеховЧитаШахтыЩелковоЭлектростальЭлистаЭнгельсЮжно-СахалинскЯкутскЯлтаЯрославль
  • - бесплатно по РФ
    Автоперезвон. Работает по принципу: Вы позвонили на номер, мы сбрасываем звонок и перезваниваем через 3 секунды.
  • - по Москве
  • 8 (925) 663-83-63

Call-центр

пн-вс: 10:00-19:00

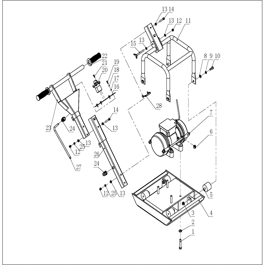
Виброплита электрическая ЗВПЭ-5 Г

Данная модель имеет несколько схем

NАртикулНазваниеСрок отгрузкиЦенаКупить
1.01 N000-008-161 Болт M12x65
1.02 N000-022-385 Шайба D12
1.03 N000-028-974 Гайка M10 самоконтрящаяся
1.04 N000-028-975 Плита опорная в сборе
1.05 N000-028-976 Амортизатор 606 р.
1.06 N000-028-977 Гайка M12 самоконтрящаяся
1.07 V000-001-042 Электродвигатель АД ZWR-55S-550W 29.092 р.
1.08 N000-022-384 Шайба D10
1.09 N000-027-604 Шайба пружинная D10
1.10 N000-008-357 Болт M10x25
1.11 N000-028-979 Рама
1.12 N000-019-493 Гайка (самоконтр.) М8 36 р.
1.13 N000-020-872 Шайба D8 92 р.
1.14 N000-010-327 Болт M8х60
1.15 UM03-000-033 Болт M8х80
1.16 N000-028-982 Пластина переключателя
1.17 N000-020-867 Шайба D5 92 р.
1.18 N000-026-844 Шайба пружинная D5
1.19 N000-014-058 Болт M5х16
1.20 V000-003-408 Выключатель роторный HZ5D-20/4 L03 220В 20А 3.759 р.
1.22 N000-028-983 Ручка резиновая 369 р.
1.23 N000-028-985 Ручка
1.24 N000-028-984 Воротник шнура
1.25 N000-025-043 Шайба пружинная D8мм
1.26 N000-028-986 Основание ручки
1.27 V000-006-379 Кабель питания
1.28 V000-006-663 Провод заземления
2.01 N000-029-063 Корпус
2.02 N000-029-064 Эксцентрик 588 р.
2.03 N000-029-065 Кольцо 37 р.
2.04 N000-029-066 Эксцентрик 588 р.
2.05 N000-029-067 Крышка двигателя
2.06 N000-029-068 Подшипник шариковый 6305-2RS (62x25x17) n/n 911 р.
2.07 N000-029-069 Ротор 3.217 р.
2.08 N000-029-070 Корпус двигателя
2.09 V000-006-545 Колодка клеммная
2.10 N000-022-361 Винт M6
2.11 N000-029-071 Крышка клемной коробки
2.12 N000-029-072 Ввод кабельный
2.13 N000-029-073 Статор
2.14 N000-022-371 Гайка M10 92 р.
2.15 N000-029-074 Шпилька M10
2.16 U001-720-085 Конденсатор 25мкФ 450В 1.022 р.
2.17 N000-029-075 Статор в сборе с корпусом 12.576 р.
2.17.C N000-029-075-C Статор в сборе (корпус,кабель,конденсатор,компаунд,крышка) 11.468 р.
Найдено товаров: 45
1
▲ Наверх
0
8 (925) 663-83-63

Call-центр

пн-вс: 10:00-19:00

НАЙТИ ПО МОДЕЛИ
Введите номер заказа
Введите номер своего заказа, что бы узнать его текущий статус.
Что бы получить доступ к расширенным функциям, пройдите не сложную регистрацию. Зарегистрироваться